
ה STM8S103F3P6 הוא בקר מיקרו של 8 סיביות המיוצר על ידי Stmicroelectronics, הידוע בזכות הפונקציונליות המרשימה שלו ובאינטגרציה החלקית שלו.מכשיר קומפקטי זה מצויד בסגנון הרכבה של מכשיר משטח (SMD), המגלם גרעין מתקדם וציוד היקפי המיוצרים בקפדנות באמצעות טכנולוגיה מתקדמת.עם תדר שעון של 16 מגהרץ, STM8S103F3P6 מתגאה ביכולת קלט/פלט איתנה, ומבטיחה עיבוד וטיפול יעילים בנתונים.טיימר כלב השמירה העצמאי שלה, המצויד במקור שעון עצמאי ומערכת אבטחת שעון, מבטיח ביצועי מכשיר מיטביים וחוסן כנגד שיבושים פוטנציאליים.
אחת התכונות הבולטות שלה היא זיכרון הפלאש שלה, המספק אחסון לא נדיף לקוד ונתונים.עם טווח מתח הפעלה המשתרע על ידי 2.95 וולט ל -5.5 וולט, בקר מיקרו זה רב תכליתי וניתן להתאמה ליישומים שונים.בנוסף, הוא מציע טווח טמפרטורות הפעלה רחב של -40 מעלות צלזיוס עד 85 מעלות צלזיוס, מה שהופך אותו מתאים לפריסה בתנאים סביבתיים מגוונים.
• MSP430G2353
• PIC16LF184444T
• • STM8S103F3P3
• • STM8S103F3P3TR
• • STM8S103F3P6TR


צריכת חשמל נמוכה: יש לו מגוון של מצבי צריכת חשמל נמוכים לבחירה, כולל מצב סרק, מצב שינה, מצב שינה עמוק ומצב כבוי, שיכולים להרחיב ביעילות את חיי הסוללה ולחסוך אנרגיה.
ביצועים גבוהים: היא מאמצת ארכיטקטורת ליבת STM8 בעלת ביצועים גבוהים, המאפשרת לתדר ההפעלה להיות גבוהה כמו 16 מגהרץ, מה שמשפר מאוד את מהירות ביצוע ההוראות ומספק יכולות מחשוב יעילות יותר ליישומים שלנו.
ממשקי תקשורת מרובים: הוא תומך במגוון ממשקי תקשורת הכוללים SPI (ממשק היקפי סדרתי), I2C ו- UART.באמצעות ממשקים אלה הוא יכול לתקשר ולקיים אינטראקציה עם מכשירים חיצוניים בקלות כדי להשיג יותר פונקציות ויישומים.
ציוד היקפי בשפע: בקר המיקרו STM8S103F3P6 יש משאבים היקפיים בשפע, כולל 16 קילוגרמים של זיכרון פלאש וזיכרון זיכרון RAM של 16 קילוגרמים, כמו גם ממשקים נפוצים כמו סיכות GPIO, טיימרים ו- UART.המגוון של ציוד היקפי אלה הופך את המכשיר למתאים לתרחישי יישומים שונים ויכול לענות על צרכיהם של תחומים ותעשיות שונות.בין אם מדובר בשליטה תעשייתית, בית חכם או מערכות משובצות, STM8S103F3P6 יכול לספק תמיכה.

ה- STM8S103F3P6 ארוז בחבילת מתאר קטנה דקה (TSSOP) ויש לו 20 סיכות.מרווח הגוף והעופרת קטנים יותר מחבילות SOIC סטנדרטיות.מאפיין טיפוסי של TSSOP הוא היווצרות סיכות סביב השבב הארוז, מה שהופך אותו למתאים לחיווט התקנה על PCBs באמצעות טכנולוגיית SMT.בעת שימוש בחבילת TSSOP, הפרמטרים הטפיליים (הפרעת מתח יציאה הנגרמת כתוצאה משינויים גדולים בזרם) הם קטנים יותר, ולכן היא מתאימה ליישומים בתדר גבוה.חבילה מסוג זה נוחה יותר לתפעול ובעלת אמינות גבוהה יותר.
לחבילת TSSOP יש את התכונות הבאות:
• מרווח סיכות קטן: מרווח הסיכה הוא בדרך כלל 0.5 מ"מ או 0.65 מ"מ.באמצעות תכנון של מוטות נחושת של לוח המעגלים, ניתן למקם מכשירים נוספים על לוח המעגל עם אותו אזור וגודל.
• היקף היישום הרחב: ניתן ליישם אותו על שדות יישומים שונים כמו בקרי מיקרו, DSPs, שבבי זיכרון ושבבי אספקת חשמל.
• ספירת סיכות גבוהה: מספר הסיכות הוא בדרך כלל בסביבות 20 עד 64, שיכולות לעמוד בדרישות שילוב שבבים מסוימות.
• גודל אריזה קטן: בהשוואה לחבילות מתאר קטנות (SO) רגילות, גודל החבילה שלו קטן יותר, העובי דק יותר והנפח קטן יותר, מה שהופך אותו מתאים לאריזה של מעגלים משולבים בצפיפות גבוהה.
• ביצועים גבוהים: היא מאמצת טכנולוגיית הרכבה על פני השטח, בעלת מוליכות טובה ועמידות בפני קורוזיה ויכולה לעמוד בדרישות מיוחדות כמו מהירות גבוהה, תדירות גבוהה, מיניאטוריזציה וכן הלאה.
אלא אם כן צוין אחרת, כל המתחים מופנים ל- VSS.
הערכים המינימליים והמקסימליים מובטחים בתנאים השליליים ביותר, המקיפים את טמפרטורת הסביבה, מתח אספקה ותדרים.ערבויות אלה נקבעות באמצעות בדיקות ייצור קפדניות המתבצעות על 100% מהמכשירים, שנערכו בטמפרטורת הסביבה של TA = 25 מעלות צלזיוס ו- TA = TAMAX (כהגדרתה על ידי טווח הטמפרטורה שנבחר).
ערכים המבוססים על תוצאות אפיון, הדמיות תכנון ו/או מאפיינים טכנולוגיים מתוארים בהערות שוליים בטבלה ולא עברו בדיקות ייצור.לגבי אפיון, הערכים המינימליים והמקסימליים קשורים להערכות מדגם ומסמנים את הערך הממוצע עם טווח של פלוס או מינוס שלוש פעמים מסטיית התקן (ממוצע ± 3σ).
אלא אם כן צוין באופן מפורש אחרת, נתונים סטנדרטיים נקבעים עם TA = 25 מעלות צלזיוס, VDD = 5 V. ערכים אלה ניתנים אך ורק כהפניות עיצוביות ולא עברו בדיקות.
הדיוק האופייני של ערכי ADC נקבע באמצעות אפיון של קבוצה של דגימות ממגרש דיפוזיה סטנדרטי על פני טווח הטמפרטורות השלם.בהקשר זה, 95% מהמכשירים מראים שגיאה בערך שצוין (ממוצע ± 2σ).
אלא אם כן צוין באופן ספציפי, כל הגרפים הסטנדרטיים מיועדים אך ורק כהפניות עיצוביות ולא היו נתונים לבדיקה.
חריגה מהדירוגים המקסימליים המוחלטים שצוינו עלולה לגרום לנזק קבוע למכשיר.דירוגים אלה מצביעים אך ורק על גבולות הלחץ שהמכשיר יכול לסבול, ואין משתמע כי המכשיר יתפקד כראוי בתנאים אלה.חשיפה לתנאים בדירוג המרבי או בסמוך לה יכולה להשפיע לרעה על אמינות המכשיר.
פרופיל המשימה של המכשיר, המתווה את תנאי היישום שלו, דבק בתקן ההסמכה של JEDEC JESD47, עם פרופילי משימה מורחבים זמינים לפי בקשה.
כדי להשיג יציבות עבור הרגולטור הראשי, יש לחבר קבלים של קבלים חיצוניים שכותרתו Coext ל- PIN VCAP.חיוני להבטיח כי השראות הסדרה תישאר מתחת ל -15 NH.
הצריכה הנוכחית נמדדת כפי שמודגם בתמונה הבאה.

סך הצריכה הנוכחית של אספקה במצב ריצה
ה- MCU ממוקם בתנאים הבאים:
• כל ציוד היקפי מושבת (השעון נעצר על ידי רישומי שעון היקפיים) למעט אם הוזכר במפורש.
• כל סיכות הקלט/פלט במצב קלט עם ערך סטטי ב- VDD או VSS (ללא עומס)
בכפוף לתנאי הפעלה כלליים עבור VDD ו- TA.

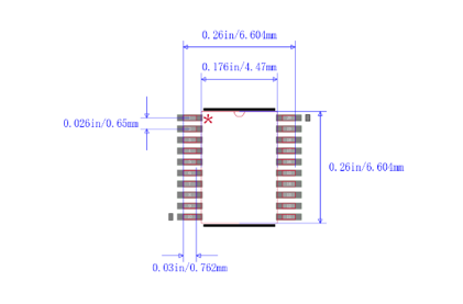
STM8S103F3P6 כולל 20 סיכות, שמות הסיכות והפונקציות שלו הם כדלקמן:
PIN1 (PD4/ BEEP/ TIM2_ CH1/ UART1 _CK): יציאה D4
PIN2 (PD5/ AIN5/ UART1 _TX): יציאה D5
PIN3 (PD6/ AIN6/ UART1 _RX): יציאה D6
PIN4 (NRST): איפוס
PIN5 (PA1/OSCIN): יציאה A1
PIN6 (PA2/OSCOUT): יציאה A2
PIN7 (VSS): קרקע דיגיטלית
PIN8 (VCAP): 1.8 V
PIN9 (VDD): ספק כוח דיגיטלי
PIN10 (PA3/ TIM2_ CH3 [SPI_ NSS]): יציאה A3
PIN11 (PB5/ I2C_ SDA [TIM1_ BKIN]): יציאה B5
PIN12 (PB4/ I2C_ SCL): יציאה B4
PIN13 (PC3/ TIM1_CH3 [TLI] [TIM1_ CH1N]): יציאה C3
PIN14 (PC4/ CLK_CCO/ TIM1_ CH4/ AIN2/ [TIM1_ CH2N]): יציאה C4
PIN15 (PC5/ SPI_SCK [TIM2_ CH1]): יציאה C5
PIN16 (PC6/ SPI_MOSI [TIM1_ CH1]): יציאה C6
PIN17 (PC7/ SPI_MISO [TIM1_ CH2]): יציאה C7
PIN18 (PD1/ SWIM): יציאה D1
PIN19 (PD2/ AIN3/ [TIM2_ CH3]): יציאה D2
PIN20 (PD3/ AIN4/ TIM2_ CH2/ ADC_ ETR): יציאה D3
כפי שמוצג באיור לעיל, לשבב STM8S103F3P6 יש עד 16 סיכות קלט/פלט, אשר ניתן להשתמש בהן למגוון מטרות, כמו GPIO, ממשקים היקפיים, ADC וכו 'משמש כסיכות קלט לקריאת אותות חיצוניים או כסיכות פלט כדי לשלוח אותות למכשירים חיצוניים.בנוסף, ניתן להקצות באופן עצמאי לכל סיכת קלט/פלט וקטור הפרעה כדי להקל על עיבוד מדויק של הפרעות כאשר הם מתרחשים.
• מערכות אוטומציה: בקר מיקרו ניתן להשתמש במערכות אוטומציה כמו וילונות חשמליים, מערכות בקרת גישה, בקרת טמפרטורה ובקרת תאורה.
• יישום IoT (Internet of Things): אם אנו צריכים לפתח מכשירי IoT, זה יכול לשמש כבקר לצמתים של IoT כדי לחבר ולשלוט על חיישנים ומודולי תקשורת שונים.
• מכשירים אלקטרוניים אישיים: משמשים במצלמות דיגיטליות, נגני MP3 ו- MP4, קונסולות משחק אלקטרוניות וכו '.
• ציוד אלקטרוני: משמש לפיתוח ציוד אלקטרוני שונה
כמו צעצועים אלקטרוניים, שלט רחוק, מחשבונים מיני וכו '.
• שדה תעשייתי: משמש ב- PLC, בקרים תעשייתיים, אוטומציה של תהליכים וציוד בקרה אוטומטי וכו 'וכו'.
• ממשק רכישת נתונים וחיישן: משמש לפיקוח על תנאי הסביבה ולאסוף נתונים או לחיבור חיישנים שונים כמו חיישני אור, חיישני טמפרטורה וחיישני לחות.
• מערכת בקרה משובצת: משמשת לתכנון מערכות בקרה משובצות שונות, כגון מכשירי משק בית, ציוד תעשייתי, כלי חשמל וכו '. כוח העיבוד שלה בן 8 סיביות מספיק למשימות בקרה פשוטות.
STM8S103F3P6 הוא שבב מיקרו -בקר שפותח על ידי Stmicroelectronics.זה שייך למשפחת STM8 של בקרי מיקרו 8 סיביות והיא נמצאת בשימוש נרחב במערכות משובצות שונות ויישומי IoT.
STM8S103F3P6 MicroController יחידה כוללת 640 סיביות ROM, 10 סיביות 5-ערוצים ADC, RAM של 1KB ועם גודל זיכרון של תוכנית של 8KB.
אנו יכולים להחליף את STM8S103F3P6 ב- MSP430G2353, PIC16LF184444T, STM8S103F3P3, STM8S103F3P3TR או STM8S103F3P6TR.
כן, STM8S103F3P6 מעוצב עם תכונות בעלות עוצמה נמוכה וניתן להשתמש בו ביישומים המופעלים על ידי סוללה או בעלי עוצמה נמוכה שבהם יעילות האנרגיה חיונית.
כמה מאפייני מפתח של STM8S103F3P6 כוללים סיכות GPIO (קלט/פלט למטרה כללית), תקשורת UART (מקלט אוניברסלי אסינכרוני) תקשורת, תקשורת I2C (מעגל משולב בין משולב), SPI (ממשק היקפי סדרתי), טיימרים ועוד.
עלינו
שביעות רצון לקוחות בכל פעם.אמון הדדי ואינטרסים משותפים.
מפרט טכני של תאי מטבע ליתיום CR2354
2024-08-02
מדריך מקיף למיקרו-בקר Atmega328-PU
2024-08-02
דוא"ל: Info@ariat-tech.comHK TEL: +852 30501966הוסף: Rm 2703 27F Ho King Comm Center 2-16,
Fa Yuen St MongKok Kowloon, הונג קונג.